In dit artikel zullen we de multiplexer doornemen, we zullen eerst definiëren wat een multiplexer is, daarna zullen we de typen doornemen die 2×1 en 4×1 zijn, daarna zullen we de implementatie van de 2×1 mux en hoger doornemen mux met mux van lagere orde. Tenslotte sluiten we ons artikel af met enkele toepassingen, voordelen en enkele veelgestelde vragen.
Inhoudsopgave
- Wat zijn multiplexers?
- Soorten Mux
- 2×1 multiplexer
- 4×1 multiplexer
- Implementatie van verschillende poorten met 2:1 Mux
- Implementatie van hogere orde MUX met behulp van lagere orde MUX
- Voor- en nadelen van MUX
Wat zijn multiplexers?
Een multiplexer is een combinatorisch circuit die veel data-ingangen en een enkele uitgang heeft, afhankelijk van de besturings- of geselecteerde ingangen. Voor N invoerregels zijn log2(N)-selectieregels vereist, of gelijkwaardig, voor
Multiplexer
Soorten Mux
De Mux kan van verschillende typen zijn, afhankelijk van de invoer, maar in dit artikel zullen we twee belangrijke typen mux doornemen
- 2×1 Mux
- 4×1 Mux
2×1 multiplexer
De 2×1 is een fundamenteel circuit, ook wel 2-naar-1-multiplexer genoemd, die wordt gebruikt om er één te kiezen signaal van twee ingangen en verzendt deze naar de uitgang. De 2×1 mux heeft twee invoerlijnen, één uitvoerlijn en een enkele selectielijn. Het heeft verschillende toepassingen in digitale systemen, zoals in een microprocessor. Het wordt gebruikt om te kiezen tussen twee verschillende gegevensbronnen of tussen twee verschillende instructies.
Blokdiagram van 2:1 multiplexer met waarheidstabel
Hieronder vindt u het blokdiagram en de waarheidstabel van 2:1 Mux. In dit blokdiagram zijn I0 en I1 de invoerlijnen, Y de uitvoerlijn en S0 een enkele selectielijn.

Blokdiagram van 2:1 multiplexer met waarheidstabel
De uitvoer van de 2×1 Mux is afhankelijk van de selectielijn S0,
- Wanneer S 0(laag) is, wordt de I0 geselecteerd
- wanneer S0 1(Hoog) is, wordt I1 geselecteerd
Logische expressie van 2×1 Mux
Met behulp van de waarheidstabel kan de logische expressie voor Mux worden bepaald als
Y=overline{S_0}.I_0+S_0.I_1
Schakelschema van 2×1 multiplexers
Met behulp van waarheidstabel de circuit diagram kan worden gegeven als
Schakelschema van 2 × 1 Mux
4×1 multiplexer
De 4×1 Multiplexer, ook wel de 4-op-1 multiplexer genoemd. Het is een multiplexer met 4 ingangen en een enkele uitgang. De uitgang wordt geselecteerd als een van de 4 ingangen, gebaseerd op de selectie-ingangen. Het aantal selectieregels zal afhangen van het nummer van de invoer dat wordt bepaald door de vergelijking
Blokdiagram van 4×1 multiplexer
In het gegeven blokdiagram zijn I0, I1, I2 en I3 de 4 ingangen en Y is de enkele uitgang die is gebaseerd op de selectielijnen S0 en S1.

De output van de multiplexer wordt bepaald door de binaire waarde van de selectielijnen
- Wanneer S1S0=00 wordt ingang I0 geselecteerd.
- Wanneer S1S0=01 wordt ingang I1 geselecteerd.
- Wanneer S1S0=10 wordt ingang I2 geselecteerd.
- Wanneer S1S0=11 wordt ingang I3 geselecteerd.
Waarheidstabel van 4×1 multiplexer
Hieronder vindt u de Waarheidstabel van 4×1 multiplexer

linkse join versus rechtse join
Schakelschema van 4×1 multiplexers
Met behulp van de waarheidstabel kan het schakelschema worden gegeven als

Multiplexer kan fungeren als universeel combinatiecircuit. Alle standaard logische poorten kunnen worden geïmplementeerd met multiplexers.
Implementatie van verschillende poorten met 2:1 Mux
Hieronder vindt u de implementatie van verschillende poorten met behulp van 2:1 Mux
Implementatie van NOT-poort met behulp van 2: 1 Mux
De Not-poort van 2:1 Mux kan worden verkregen door
- Sluit het ingangssignaal aan op een van de data-ingangslijnen (I0).
- Sluit vervolgens een lijn (0 of 1) aan op de andere data-invoerlijn (I1)
- Sluit dezelfde ingangslijn aan. Selecteer lijn S0 die is aangesloten op D0.
Hieronder vindt u het diagram voor de logische weergave van NIET poort met behulp van 2: 1 Mux

Implementatie van EN-poort met behulp van 2: 1 Mux
De And-poort van 2:1 Mux kan worden verkregen door
- Sluit ingang Y aan op I1.
- Sluit de ingang X aan op de selectielijn S0.
- Sluit een lijn(0) aan op I0.
Hieronder vindt u het diagram voor de logische weergave van EN poort met behulp van 2: 1 Mux

Voor meer informatie over de Implementatie van EN-poort met behulp van 2: 1 Mux
Implementatie van OR-poort met behulp van 2 : 1 Mux
De OF-poort van 2:1 Mux is te verkrijgen via
als anders als java
- Sluit ingang X aan op de selectielijn S0.
- Sluit ingang Y aan op I1.
- Sluit lijn(1) aan op I1.
Hieronder vindt u het diagram voor de logische weergave van OF poort met behulp van 2: 1 Mux

Implementatie van NAND-, NOR-, XOR- en XNOR-poorten vereist twee 2:1 Mux. De eerste multiplexer zal fungeren als NOT-poort die aanvullende invoer zal leveren aan de tweede multiplexer.
Implementatie van NAND-poort met behulp van 2: 1 Mux
De NAND-poort van 2:1 Mux kan worden verkregen door
- Neem in de eerste mux de invoer en 1 en 0 en y als selectieregel.
- In Second MUX is de uitgang van mux verbonden met I1.
- line(1) wordt aan de I0 gegeven.
- x wordt gegeven als selectielijn voor de tweede Mux.
Hieronder vindt u het diagram voor de logische weergave van NAND-poort met behulp van 2: 1 Mux

Voor meer informatie over de Implementatie van NAND-poort met behulp van 2: 1 Mux
Implementatie van NOR-poort met behulp van 2: 1 Mux
De Nor-poort van 2:1 Mux kan worden verkregen door
- Neem in de eerste mux de invoer en 1 en 0 en y als selectieregel.
- In Second MUX is de uitgang van mux verbonden met I0.
- lijn(0) wordt gegeven aan de I1.
- x wordt gegeven als selectielijn voor de tweede Mux.
Hieronder vindt u het diagram voor de logische weergave van NOCH poort met behulp van 2: 1 Mux

Voor meer informatie over de Implementatie van NOR-poort met behulp van 2: 1 Mux
Implementatie van EX-OR-poort met behulp van 2: 1 Mux
De Nor-poort van 2:1 Mux kan worden verkregen door
- Neem in de eerste mux de invoer en 1 en 0 en y als selectieregel.
- In Second MUX is de uitgang van mux verbonden met I1.
- y wordt gegeven aan de I0.
- x wordt gegeven als selectielijn voor de tweede Mux.
Hieronder vindt u het diagram voor de logische weergave van EX-OF-poort met behulp van 2: 1 Mux
Implementatie van EX-NOR-poort met behulp van 2: 1 Mux
Hieronder vindt u het diagram voor de logische weergave van EX-OF-poort met behulp van 2: 1 Mux
De Nor-poort van 2:1 Mux kan worden verkregen door
- Neem in de eerste mux de invoer en 1 en 0 en y als selectieregel.
- In Second MUX is de uitgang van mux verbonden met I0.
- y wordt gegeven aan de I1.
- x wordt gegeven als selectielijn voor de tweede Mux.

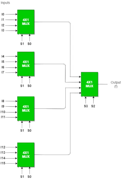
Implementatie van hogere orde MUX met behulp van lagere orde MUX
Hieronder vindt u de implementatie van MUX van hogere orde met behulp van MUX van lagere orde
4: 1 MUX met behulp van 2: 1 MUX
Er zijn drie 2: 1 MUX nodig om 4: 1 MUX te implementeren.

Op dezelfde manier,
Terwijl een 8:1 MUX zeven (7) 2:1 MUX's vereist, vereist een 16:1 MUX vijftien (15) 2:1 MUX's, en een 64:1 MUX vereist drieënzestig (63) 2:1 MUX's. We kunnen dus tot de conclusie komen dat an
Python converteert bytes naar string
16: 1 MUX met behulp van 4: 1 MUX
Hieronder ziet u het logische diagram van 16:1 Mux met behulp van 4:1 Mux

Om B : 1 MUX te implementeren met behulp van A : 1 MUX wordt over het algemeen één formule gebruikt om hetzelfde te implementeren.
B/A = K1,
K1/ EEN = K2,
K2/A = K3
KN-1/ A = KN= 1 (totdat we 1 telling van MUX verkrijgen).
En tel dan alle aantallen MUXen op = K1 + K2 + K3 + …. + KN.
Om 64: 1 MUX te implementeren met behulp van 4: 1 MUX
Met behulp van de bovenstaande formule kunnen we hetzelfde verkrijgen.
64/4 = 16
16 / 4 = 4
4/4 = 1 (totdat we 1 telling van MUX verkrijgen)
Daarom is er een totaal aantal van 4: 1 MUX nodig om 64: 1 MUX = 16 + 4 + 1 = 21 te implementeren.
f(A,B,C) =
gebruik A en B als de selectielijnen voor 4: 1 MUX,
AB zoals geselecteerd: De minterms worden uitgebreid naar de Booleaanse vorm en de waarde 0 of 1 wordt op de C-de plaats weergegeven, zodat ze op die manier kunnen worden geplaatst.

AC zoals geselecteerd : De minterms worden uitgebreid naar de Booleaanse vorm en de waarde 0 of 1 wordt op de B-de plaats weergegeven, zodat ze op die manier kunnen worden geplaatst.

BC zoals geselecteerd : Het uitbreiden van de mintermen naar de Booleaanse vorm en ziet de waarde 0 of 1 in Aezodat ze op die manier kunnen worden geplaatst.

Voor- en nadelen van MUX
Hieronder vindt u de voor- en nadelen van MUX
Voordelen van MUX
Hieronder vindt u de voordelen van MUX
- Efficiëntie : De Mux heeft een goede efficiëntie bij het routeren van meerdere ingangssignalen naar een enkel uitgangssignaal op basis van besturingssignalen.
- Optimalisatie : De Mux helpt hulpbronnen zoals draden, pinnen en geïntegreerde schakeling (IC).
- Verschillende implementatie: De Mux kan worden gebruikt om verschillende digitale logische functies te implementeren, zoals AND,OR enz.
- Flexibiliteit: Mux kan eenvoudig worden geconfigureerd volgens de vereisten en is geschikt voor verschillende gegevensbronnen, waardoor de veelzijdigheid van het systeem wordt vergroot.
Nadelen van MUX
Hieronder staan de nadelen van MUX
- Beperkt aantal gegevensbronnen: Het aantal invoer dat door een multiplexer kan worden verwerkt, wordt beperkt door het aantal besturingslijnen, wat bij bepaalde toepassingen beperkingen kan veroorzaken.
- Vertraging: Multiplexers kunnen enige vertraging in het signaalpad hebben, wat invloed kan hebben op de prestaties van het circuit.
- Complexe controlegrondslag: De besturingslogica voor multiplexers kan complex zijn, vooral voor grotere multiplexers met een groot aantal ingangen.
- Stroomverbruik: Multiplexers kunnen meer stroom verbruiken vergeleken met andere eenvoudige l ogische poort , vooral als ze een groot aantal inputs hebben.
Toepassingen van MUX
Hieronder vindt u de toepassingen van MUX
- Gegevensroutering : De Mux wordt gebruikt voor dataroutering in het digitale systeem, waarbij ze een van de verschillende datalijnen selecteren en deze naar de uitvoer omleiden.
- Gegevensselectie : De Mux wordt gebruikt voor gegevensselectie waarbij de gegevensbron wordt geselecteerd op basis van de geselecteerde regels.
- Analoog-naar-digitaal conversie : De Mux worden gebruikt ADC om verschillende analoge ingangskanalen te selecteren.
- Adresdecodering : De Mux worden gebruikt Microprocessors of geheugen voor adresdecodering.
- Implementatie van logische functies : Muxes kunnen worden gebruikt om verschillende logische functies te implementeren.
Conclusie
In dit artikel hebben we de MUX doorgenomen, we hebben verschillende soorten Mux gezien, namelijk 2×1 en 4×1 Mux, we hebben de implementatie van de 2×1 mux en hogere mux met mux van lagere orde doorlopen. Ook hebben we de voordelen, nadelen en toepassingen kort doorgenomen.
Multiplexers in digitale logica – Veelgestelde vragen
Waarom wordt de besturingslogica voor multiplexers als complex beschouwd?
De Mux kan complex zijn, vooral voor grotere multiplexers vanwege de besturingssignalen die ingangen selecteren op basis van de toepassingsvereisten.
Wat zijn de verschillende soorten multiplexerarchitecturen?
Mux-architecturen worden gewijzigd op basis van factoren zoals het totale aantal ingangen, het aantal geselecteerde lijnen en de logica die wordt gebruikt voor ingangsselectie.
Hoe worden multiplexers gebruikt als digitale signaalverwerkingstoepassingen (DSP)?
In DSP-toepassingen worden multiplexers gebruikt voor signaalroutering, selectie en verwerking.